- Prérequis:
- But:
- Répertoire de travail:
- Montage 1 , La LED et le Relais REED ou ILS
- Montage 2, La LED EXTERNE :
- Montage 3, LED ROUGE et ILS
- Donner le sens de l'information sur la broche 10
- Donner le sens de l'information sur la broche 9
- Code à réaliser
- Réaliser l'organigramme le PL avec Monia de ce code
- Transformer cet algorithme en langage C
Prérequis:
- Savoir calculer une résistance de limitation de courant pour une LED ROUGE
- Utiliser un capteur de type ILS
- usage du logiciel Fritzing
- Utilisation de l’IDE Arduino
- Base de langage C/C++ pour arduino.
- les fonctions de l’arduino , pinMode(), digitalWrite() et digitalRead()
But:
- Savoir piloter une LED ROUGE
- Utiliser un port en entrée
- Utiliser un capteur comme l’ ILS
Répertoire de travail:
~/Works/CoINFO_PHY/ILS_INPUT
Montage 1 , La LED et le Relais REED ou ILS
Dans ce montage on va utiliser l’arduino comme générateur 5V , 5V qui est la tension fournit par le PC par la prise USB A

ici on utilise pas du tout le microcontroleur ! (ATMEGA328P)
Pas d’aimant:
Relever ce qu’il se passe pour la LED si on n’ approche pas l’aimant du relais ILS
Mesurer la tension entre le GND et le point ligne 18 partie haute
Mesurer la tension Vak de la diode dans ce cas
Avec aimant:
Relever ce qu’il se passe pour la LED si on approche l’aimant du relais ILS
Mesurer la tension entre le GND et le point ligne 18 partie haute
Mesurer la tension Vak de la diode dans ce cas
Montage 2, La LED EXTERNE :
La résistance de limitation de courant de la LED ROUGE ne devra pas être inférieure à 200 Ohms
Rque : Ici le fil rouge qui ramène la ligne d’alimentation de 5V n’est pas utile, mais une bonne habitude à prendre.

Rappeler le code pour allumer la LED ROUGE
Donner la fonction setup() et la fonction loop() pour allumer la led ROUGE en continu.
Relever la tension Vak

Donner un code pour faire clignoter la LED Rouge à une fréquence de 2 Hz.
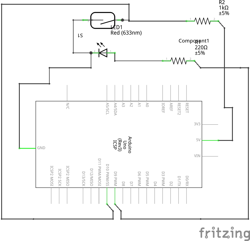
Montage 3, LED ROUGE et ILS

Il y a 2 résistances dans ce montage
la résistance de 220 Ohms est une résistance de limitation de courant (protection de la LED et du microcontrôleur ATMEGA328P)
la résistance de 1k Ohms est une résistance de rappel de niveau, pour éviter l’effet antenne.
Schéma fournit par Fritzing , qui vaut ce qu’il vaut ! 🙂
Donner le sens de l’information sur la broche 10
En déduire la fonction qu’il faut mettre pour imposer entrée ou sortie, pinMode (10, INPUT ) ou pinMode(10,OUTPUT)
Donner le sens de l’information sur la broche 9
En déduire la fonction qu’il faut mettre pour imposer entrée ou sortie, pinMode (9, INPUT ) ou pinMode(9,OUTPUT)
Code à réaliser
A l’approche d’un aimant de l’ILS la LED va s’allumer , et s’éteindre quand l’aimant va s’èloigner.
Ce code va fonctionner par scrutation de l’état de l’ILS et ici notre arduino va boucler dans loop ! on va exploiter cette façon de fonctionner
Réaliser l’organigramme le PL avec Monia de ce code
Transformer cet algorithme en langage C
Tester votre code .



